versatility.

performance. Control.

Versalis Implants: Now Available

Versalis implants by S.I.N. combine high performance and clinical versatility. It's design includes a conical core, dual-tapered body, and cutting apex for strong bi-cortical engagement in all bone types. It was engineered with the help from leading USA clinicians to deliver an implant for both beginner and advanced professionals.

Performance

Matters.

Performance

Matters.

Key Features

Tapered body

The NEW dual-tapered body optimizes compression and stress distribution, enhancing bicortical stability across all bone types (I–IV).

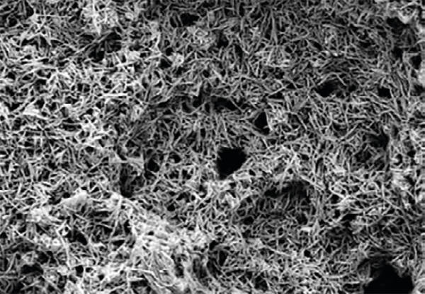
Advanced surface

The implant surface is created through double acid-etching, followed by application of a hydroxyapatite nanocoating (HAnano, also known as “Plus”).

Prosthetic Compatibility

Versalis features the same prosthetic connection as our Epikut, Unitite, and Zygomatic systems, making it easy to integrate into your workflow.

With 16° of angulation, Versalis simplifies restorative planning without limiting options for full-arch or single-unit treatments.

Versatile Sizes

Versalis Standard ("Prime")
•   Lengths: 8.5 mm – 18 mm
•   Diameters: Ø3.5 – Ø7.0

Versalis "Long"
•   Lengths: 20 mm – 24 mm
•   Diameters: Ø3.8, Ø4.0, Ø4.3

New Geometry

Standard/prime

Long

Same Connection

Surgical Kit

Downloads

Videos

You Might Also Like

MicronMapper Application